摘要:本实验的水塔水位控制器是由整流电路、555触发电路(NE55)、继电器控制电路等组成。中职学生易读懂电路的原理,动手操作性强,成品可用于安装在家庭、学校等水塔水位的自动上水和关断。
1设计思路
根据设计要求,电路由降压整流电路、555触发电路(NE55)、继电器控制电路等组成。其中降压整流电路为整个控制电路提供直流电压,触发电路NE555根据其触发特性对水塔水位进行控制。
2.1.1控制电路
由NE555,继电器构成主要控制电路。NE555为8脚时基集成电路,各脚主要功能:
1地CGND2触发3输出4复位5控制电压6门限(闽值7放电8电源电压Vcc
2.2.2继电器
继电器是一种线圈的小电流控制触电的大电流的装置。
2.3保护电路选用
该部分电路选用热继电器,接触器。
2.3.1热继电器
热继电器是由流入热元件的电流产生热量,使有不同膨胀系数的双金属片发生形变,当形变达到一定距离时,就推动连杆动作,使控制电路断开,从而使接触器失电,主电路断开,实现电路的过载保护。
2.3.2交流接触器
当接触器电磁线圈不通电时,弹簧的反作用力和衔铁芯的自重使主触点保持断开位置。当电磁线圈通过控制回路接通控制电压(一般为额定电压时,电磁力克服弹簧的反作用力将衔铁吸向静铁心,带动主触点闭合,接通电路,辅助接点随之动作。
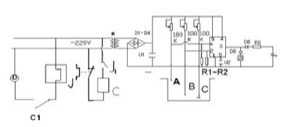
3.1设计原理图

说明:D1-D6:IN4002 R1-R3:470Q
U1:1000uF U2:0.01uF RW1-RW3:100KQ J是热继电器J1是JRX-13F-1小功率小型继电器
3.2工作原理
3.2.1电源部分
电源电路为水位控制器电路的基础部分。接通电源后,经变压整流,在负载R上得到直流电压V。
3.2.2控制部分
控制电路为水塔水位控制器电路的主体部分,降压整流电路为此部分电路提供稳定直流电压后,NE555开始工作。当水塔内的水位探极A、B、C低于水位线时,为高电位。调节RW1-RW3,使A点和B点的电位最大接近于2/3Vcc与1/3Vcc。当B、C高于塔内的水位线时,即已低于反向闽值电压V-,NE555②脚为“地”电位,使NE555发生置位,③脚输出的高电平使发光二极管工作并且使继电器J1吸合,触点J1闭合,接触器C吸合,触点C1闭合,抽水电机从而因得电而运转,进行抽水;当水位上升至探极B点,而又未到A点时,它们的分压值在1/3Vcc与2/3Vcc之间,状态不变。当水位继续上升至A点时,A点电位接近电源电压Vcc,超过了正向闽值电压V+,相应NE555复位,输出的低电平使J1释放,触点J1断开,接触器C释放,触点Cl断开,抽水机断电停转,从而对水位实现自动控制。
3.2.3保护部分
保护电路为水塔水位控制器电路不可缺少的一部分,当继电器J1吸合后,热继电器J通电,电流使线圈发热,金属片发生形变吸合。交流接触器亦随之通电,产生电磁力,电磁力克服弹簧的反作用力将衔铁吸向静铁心,带动主触点闭合,此时电路接通,驱动抽水机转动,一旦功率大于额定功率,继电器J线圈发热,使金属片形变到一定的程度时,金属片自动弹开,电路断开。随之接触器C电磁力消失,触电断开。起保护抽水机作用。
3.3电路特点
本电路是采用NE555时基集成电路制作的简易水位自动控制器,其特点是电路简洁,工作可靠,能够基本实现设计要求,水位低则加水,水位高则自动停止。电路安全系数较高,虽实用性欠佳,没有严格考虑制作成本,但中职学生易读懂电路的原理,动手操作易掌握,成品还可直接用于安装在家庭、工厂、学校等水塔水位的自动上水和关断。
本文地址:http://m.shyoufu.cn/hyzx/736.html
-
有智能分层视镜的资料吗
-
我司需上一批智能分层视镜,请回电/先短信通知
-
能举例说明如何校验绝对压力变送器有吗?
量程 0~1000mbar ABS 如何校验?
欢迎致电我司技术
-
SFSD20有具体尺寸吗
与SFSD23尺寸一致,只是接头不同。
-
怎么选流量计呢,需要知道哪些参数
流量计的选型,需要知道测量的介质、温度、压力以及安装方式,然后就知道使用哪种流量计比较合理了。
-
电磁流量计为什么不可以测量不导电的介质呢?
电磁流量计是根据法拉第电磁感应定律进行流量测量的流量计,通过切割磁力线来测量液体的流量的。
-
由于氧化的柴油粘污在玻璃面板上,导致无法看清液位,应该怎么办
您好!已转技术联系您。