摘要:文章探讨了在传统高层水箱供水的基础上,加入PLC、变频器、压力变送器和传感器等设备,用西门子S7-200PLC对传统的继电器控制电路进行改造和设计,使控制电路更加简单。采用变频器控制水泵电机的变频调速运行与工频运行,达到节能的目的;用传感器控制电磁阀和变频器的运行与停止,为供水系统的自动化控制提供了技术支持,使各器件之间的控制相互协调。在硬件基础上配合软件解决了供水系统在不同时间供水量波动时保持恒压供水的问题.
在高层建筑的楼顶都会安装水塔或水箱来满足用户正常的用水,在高层建筑的地下修筑水槽,以此来储存自来水公司提供的水源,并通过水泵向高层建筑的水箱提供水源[].变频器是交流电动机驱动器,它是将三相工频交流电转变成频率可调的三相交流电来驱动交流电动机,从而使电动机调速,目前,技术和功能日趋完善.PLC是一种基于微处理器技术上发展起来的通用工业控制装置,具有强大的功能,操作简单方便,应用广泛.本研究将PLC与变频器相结合进行水塔水位控制系统的设计和分析.
1PLC与水塔水位控制系统
1.1水塔水位控制系统图与控制要求水塔水位控制系统由地下水槽和高层水箱等部件组成,其中进水阀门Y用来控制地下水槽的进水,指示灯用来指示电磁阀的工作状态,M为水泵电机,由变频器驱动,SP是压力变送器,用来检测高层水箱的压力,s代表水位传感器,用来检测高层水箱和地下水槽的水位,如图1所示.

水塔水位控制系统接通电源后,电磁阀门Y打开,指示灯亮起,若经过6s后,水槽中的水位传感器Ss没有感应到水,电磁阀门Y的指示灯就会闪烁,说明进水管中无水,提示工作人员要巡视一下管路.如果进水管中有水,那么过一段时间后,水位传感器S3会感应到水,此时电磁阀门Y就会断电关闭,防止水从水槽中溢出.假如水位传感器S4感应到水与水位传感器S2没感应到水的条件成立,那么交流接触器KM就会通电吸合,使变频器驱动水泵电机工作,把水槽中的水抽到高层水箱中去.若干时间后,水位传感器S1会感应到水,就会使变频器断电,水泵停止工作,以此防止高层水箱溢水.
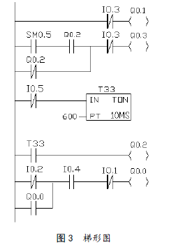
1.2PLC外部接线图与梯形图为了达到该系统的控制要求,拟采用西门子S7-200PLC对水塔水位控制系统进行设计,PLC设备的外部接线图和梯形图分别如图2和图3所示.
从梯形图中可以看出,设备通电后,电磁阀Q0.1打开,指示灯Q0.3亮起,表示进水管开始向地下水槽中注水,若6s后,水位传感器I0.5没有感应到水,I0.5就会一直处于闭合状态,定时器T33就会使Q0.2通电,从而使SM0.5产生的脉冲驱动指示灯闪烁.如果水位传感器I0.3感应到水,I0.3的常闭触点就会断开,切断电磁阀QO.1和指示灯Q0.3的电路.图中只有当水位传感器10.4感应到水闭合后,变频器Q0.0才会工作,当高层水箱中的水接触到水位传感器I0.2的时候,I0.2的常闭触点断开,由变频器Q0.0的常开触点闭合来维持Q0.0线圈的通电.若高层水箱中的水接触到水位传感器I0.1,I0.1的常闭触点就会断开,变频器Q0.0就会断电.


2变频器与水塔水位控制系统
为了能把水槽中的水及时送到高层水箱中,保证用户正常的用水压力和流量,达到恒压供水的目的,在这里采用1台变频器驱动3台水泵电机工作.具体如图4所示.图中交流接触器KM用来控制变频器的运行与停止,交流接触器1KM2、2KM2、3KM2分别控制3台水泵电机的变频运行,交流接触器1KM3、2KM3、3KM3分别控制3台水泵电机的工频运行,FR是热过载继电器,用来防止水泵电机过载运行,压力变送器SP的信号与变频器的反馈信号输入端VPF(电压信号)连接,电位器RP调节目标信号的大小.
工作过程如下:
当水位传感器S4感应到水与水位传感器2没感应到水的条件成立,那么交流接触器KM就会通电吸合,使变频器起动第1台水泵电机工作,假如工作频率达到50HZ,压力变送器SP测得管道水压不足时,变频器就会把第1台水泵电机切换为工频运行,然后去起动第2台水泵电机,使供水系统实现“一工一变”的运行方式.假如第2台水泵电机的频率达到50HZ,压力变送器SP测得管道水压仍然不足时,变频器就会把第2台水泵电机切换成工频运行,然后去起动第3台水泵电机,使供水系统实现“二工一变”的运行方式.

如果此时用户人数减少,压力变送器SP测得管道水压过高,变频器就会令第一台水泵电机停止工作,供水系统实现“一工一变”的运行方式,若压力变送器SP测得管道水压仍然过高,变频器就会令第2台水泵电机停止工作,实现1台水泵电机的变频运行方式.
供水系统采用变频器控制水泵电机,可以达到节能效果,彻底消除水锤效应,防止水压对管道和阀门的损害,延长水泵寿命[].
由PLC、变频器、水泵电机、压力变送器和传感器等设备组成的恒压供水装置具有控制精度高,实现对水位的自动化调节和水位报警功能.虽然在理论中基本上达到了预期的效果,但是在实际应用过程当中,还需要注意很多地方,还要不断地进行优化和改进设计,其理论意义对于大型水库、水坝的水位控制,工业某液面的控制等都有相当高的参考价值.
作者:王 滨,何周亮
参考文献:
[1]郭丽娜.基于PLC的水塔水位控制设计[].机电产品开发与创新,2007(5):171-172.
[2]郭志伟.PLC与变频器在水塔水位控制系统中的应用[].科学与财富,2015(4):128-129.
[3]陈娟,陈志强.PLC在水塔水位控制系统中的应用[].安徽技术师范学院学报.2003(4):348-350.
[4]天煌教仪THSMS-A型实训系统实验指导书.29-31.
[5]廖常初.S7-200PLC基础教程[M].机械工业出版社,2009:74-78.
[6]石秋洁.变频器应用基础[].机械工业出版社,2002:111-114.
本文地址:http://m.shyoufu.cn/hyzx/732.html
-
有智能分层视镜的资料吗
-
我司需上一批智能分层视镜,请回电/先短信通知
-
能举例说明如何校验绝对压力变送器有吗?
量程 0~1000mbar ABS 如何校验?
欢迎致电我司技术
-
SFSD20有具体尺寸吗
与SFSD23尺寸一致,只是接头不同。
-
怎么选流量计呢,需要知道哪些参数
流量计的选型,需要知道测量的介质、温度、压力以及安装方式,然后就知道使用哪种流量计比较合理了。
-
电磁流量计为什么不可以测量不导电的介质呢?
电磁流量计是根据法拉第电磁感应定律进行流量测量的流量计,通过切割磁力线来测量液体的流量的。
-
由于氧化的柴油粘污在玻璃面板上,导致无法看清液位,应该怎么办
您好!已转技术联系您。