电容式料位开关其具有穿墙检测仓内是否有物料的能力。产品安装简单,不需要墙体开孔,耐高温,工作可靠,寿命长等优点,是替代干熄焦生产工艺中的干熄炉电容高报开关、一次除尘中电容开关、电偶开关的最理想的产品。

一次除尘料位是干熄除尘的重要检测点。
如果一次除尘料位过高,使一次除尘器仓的焦粉进入氮气循环通道,对锅炉进行冲刷,影响锅炉寿命;如果一次除尘器仓的料位过低,高温红焦灰直接落到下部冷却套管,烧坏下部冷却套管。同时,使空气引入负压的炉体内。引起一次除尘室的燃烧。
该产品无需气体吹扫,原高温电容料位开关使用了氮气吹扫,进行冷却,由于炉内是负压,大量吹扫用的气体引起一次除尘室的焦粉扬尘,大量焦粉吹入循环通道,对锅炉冲刷,影响锅炉寿命。引起二次除尘除尘有限,余留焦粉冲刷风机。
传统使用的高温电容料位开关,除工作寿命短,还存在误报问题,这是由电容开关的自身工作原理引起,由于误报可能引起冷却管放空,将空气引入负压的炉体内,导致裤衩部焦灰烧结,焦灰料排不下来。研究表明,一次除尘室的燃烧主要由一次除尘开关的误报,引入空气引起。在已安装我公司的电磁波料位开关的干熄炉上,已有使用二年以上的,至今没有发生过一起误报,没发生一起锅炉爆管和一次除尘室燃烧。
电容式料位开关技术特点
1.料仓无需开孔,墙体不破坏 5. 灵敏度高
2.免维护 6. 更换方便
3.工作寿命长 7. 安全性好
4.无需氮气吹扫 8. 零误报


高温电容式料位计误报的原因:
高温静电容式料位开关伸入仓内的探头部分由三部分组成,第一部分是最前端的由特殊耐高温金属材料制成的探头,最高耐温1000度以上,它是静电容料位开关的正极;第二部分是中间的耐高温陶瓷质材料制成的绝缘部分,它把静电容料位开关的正负极隔离开;最后端是与料仓仓壁连接在一起的静电容料位开关负极,它由特殊耐高温不锈钢金属材料制成。
高温静电容料位开关结构如下图所示:

a.焦粉粘附在高温静电容料位开关上,产生误报高料位。
由于焦粉是导电的,其粘附在高温静电容料位开关上后,使电容发生变化,产生误报。粘附严重情况下高报无法消除。必须人工拔出,清除粘附,才能恢复正常。现场维护量很大。
b.高温静电容料位开关结构问题
高温电容料位开关结构由不同材质的材料组成,金属材料的热膨胀系数是陶瓷材料的数倍,如果灰斗内部温度急升急降变化剧烈,不同材料的膨胀与收缩程度不同,久而久之,必然使高温静电容料位开关三部分之间出现变形直至间隙,焦粉进入电容内部,最终损坏。
同样,三个材料间的密封,很难找到适合高温的,又耐磨的材料,一旦密封出现泄漏,焦粉进入电容内部,电容就产生误报。最终损坏。
c.国产电容的问题
由于国产电容的金属探头,其材料的耐高温,耐磨都找不到合适的特殊材料,也找不到很好的电极间的密封材料,所以使用的寿命更短。
一.电容式料位开关工作原理
产品采用了一个电磁波发射器,一个电磁波接收器,分别安装在料仓对面,电磁波发射器穿过料仓墙壁,向电磁波接收器发送信号。电磁波接收器收到后,电磁波接收器根据有接收到信号的大小,从而判断仓内有料。

二.电容式料位开关主要工作指标
1. 最大电磁波功率: 200 mW 2. 供电电压: 24V DC 3. 输出信号: 继电器开关量 4. 穿墙厚度: 一次除尘:< 1m高位报警:< 3m 5. 最大检测: 一次除尘:< 4m 高位报警:< 12m 6. 安装法兰 DN150 , DN450 7. 防护等级: IP67 8.工作环境温度: - 40 ~ 100℃
三.电容式料位开关系统构成
(一)电磁波发射器:
其功能发射一电磁波信号给电磁波接收器。
其位置安装在料仓上,和电磁波接收器同一高度,位于电磁波接收器的料仓对面。
1.供电电源: 24V DC
2.工作环境温度: – 40 ~100 ℃
3.防护等级: IP 67
(二) 电磁波接收器
其位置安装在料仓上,和电磁波发射器同一高度,位于电磁波发射器的料仓对面。
其功能是接收料仓对面电磁波发射器的信号。设置信号强度阀值P
如收到较强信号A>P,说明料仓内在电磁波安装高度是没有料的。电磁波接收器其继电器发出0的电开关信号。
如没有收到信号B<P,电磁波通道受阻,说明料仓内在电磁波安装高度是有料的,此时,其继电器发出1的电开关信号。
1 . 供电电源: 24V DC
2. 信号输出 : 继电器开关
3. 工作环境温度: – 40 ~100 ℃
4. 防护等级: IP 67
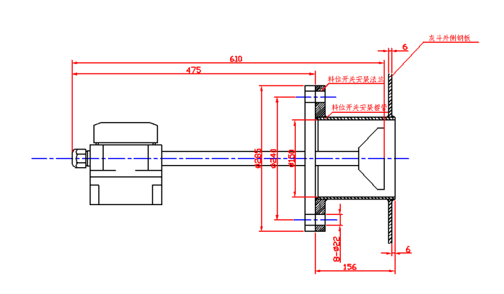
四.电容式料位开关安装
(一) 机械安装要求
1.电磁波发射器和电磁波接收器分别安装在料仓两侧要求测量高度的正对面。
2.安装时要求割开料仓外层的铁板,割一个圆孔,焊接一根短接管,短接管外端为法兰。
3.法兰和短接管的直径如下:
GJWK-100系列,其用于替代干熄炉高位报警,其安装法兰为DN450
GJWK-200系列,其用于一次除尘,其安装法兰为DN150
(二) 电气连接
1. 电磁波发射器连接一根¢1.5*2的二芯线,供应24VDC电源。
2. 电磁波接收器连接一根¢1.5*4的四芯线,二芯线为24VDC电源供电,另外二芯线作为继电器的开关信号线。
(三)安装图
1.一次除尘电磁波料位开关

2.高位报警电磁波料位开关

五. 电气安装示意图

六. 选型
干熄焦电容式料位开关选型表

本文地址:http://m.shyoufu.cn/hyzx/410.html
-
有智能分层视镜的资料吗
-
我司需上一批智能分层视镜,请回电/先短信通知
-
能举例说明如何校验绝对压力变送器有吗?
量程 0~1000mbar ABS 如何校验?
欢迎致电我司技术
-
SFSD20有具体尺寸吗
与SFSD23尺寸一致,只是接头不同。
-
怎么选流量计呢,需要知道哪些参数
流量计的选型,需要知道测量的介质、温度、压力以及安装方式,然后就知道使用哪种流量计比较合理了。
-
电磁流量计为什么不可以测量不导电的介质呢?
电磁流量计是根据法拉第电磁感应定律进行流量测量的流量计,通过切割磁力线来测量液体的流量的。
-
由于氧化的柴油粘污在玻璃面板上,导致无法看清液位,应该怎么办
您好!已转技术联系您。